防雷元器件(压敏电阻、放电管等)的一些性能介绍
防雷器是用以防护电子设备因受雷电闪击及其他干扰造成的传导电涌过电压危害的有效手段。防雷器一般安装在雷击点到需保护设备之间.防雷分区的交界面上。这是因为常常有电源线、信号线、天馈线等穿过防雷分区的屏蔽层,破坏了屏蔽,以浪涌电压或电流的形式危害设备。因此.在线路上安装具有非线性伏安特性的防雷器,在过电压时防雷器呈低阻抗.从而限制瞬态过电压和分走电涌电流,而在正常工频电压下防雷器呈高阻抗。防雷器的内部结构如图1-5所示,其中的1,2,3,4分别是熔断器、热感元件、非线性伏安特性元件和雷电放电器。电源防雷器的工作原理如图1-6所示。

图1-5 防雷器结构示意图 图1-6电源防雷器工作原理
有关防雷器的标准有:
IEC61643:2002 1. 1版连接至低压配电系统的电涌保护器 第1部分 性能要求和试脸方法;
IEC61643-2-1, 2000连接至电信网络和信号网络的电涌保护 器第1部分 性能要求和试验方法等。
用作限压的元件主要有放电间隙、气体过电压放电器、压敏电阻和抑制二极管等。所有元件都有各自的优缺点。为了起到**的作用.应该根据具体的应用场合,采用上述元件中的一个或者几个元件的组合来组建相应的保护电路。
雷电放电器中的放电间隙〔火花隙),属于电压开关型元件。两个对峙的火花角通过绝缘保持一定的服离。沿开口方向、在电极上面有一块熄弧板。出现过电压时,
在绝缘块的上半部进行表面放电。剩余的电弧向外发射,并在熄弧板上碰碎.由此产生的分段电弧将视电网后续电流的大小,在几个千安的范围内安全地被消除。其优点是放电能力强,通流容徽大(可做到100 kA以上).几乎无翻电流;其缺点是残压高(2-4 kV).反应时IbI慢(<100 ns),有跟随电流(续流)。
气体过电压放电器也属于电压开关型元件,由一个装在陶瓷或者玻瑞管中的电极构造组成.电极之间是惰性气体,如氢气或者氖气.在达到点火电压时,放电元件
呈低阻值.点火电压同过电压的陡直程度相关.点火以后过电压放电器上有数十伏电弧电压。当放电器处于低阻状态时.会形成一个电网后续电流,这个电流的大小同电网的阻抗相关。为了中断电网后续电流,必要时必须串接熔断保险丝。优点是通流容**,绝缘电阻高,漏电流小;缺点是残压较高,反应时间慢(<100 ns),动作
电压精度较低,有跟随电流(续流)。
金属氧化物压敏电阻(metal oxide varistor)属于限压型防雷器,该元件在一定温度下,导电性能随电压的增加而急剧增大。它是一种以氧化锌为主要成分的金属氧
化物半导体非线性电阻.没有脉冲时呈高阻值状态,一旦响应脉冲电压,立即将电压限制到一定值,其阻抗快速连续降为低值。其优点是通流容量大,残压较低,反应时
间较快(<25 ns),无跟随电流(续流);缺点是漏电流较大,老化速度相对较快。
瞬态抑制二极管(transient voltage suppressor)亦称齐纳二极管.是一种专门用于抑制过电压的元器件.其核心部分是具有较大截面积的PN结,该PN结工作在
雪崩状态时,具有较强的脉冲吸收能力.其优点是残压低,动作精度高,反应时间快(<1 ns),无跟随电流(续流)。缺点是耐压能力差,通流容量小,一般只有几百安培.
表1-1是常见的几种防雷器器件性能对比,列举的数值仅供参考,根据产品的型号与制造商的不同,数值可能会变化.

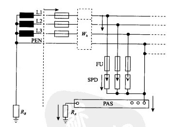
为确保万无一失.除防雷器本身一般已内置了脱扣器外,为了中断电网后续电流或限断由于防雷器老化引起的短路电流.必须在防雷器外部前端串接熔断保险丝或断路器等过电流保护装置(如图1-7中的F'J),用以防止当防雷器不能阻断工频短路电流而引起发热和损坏设备。其额定电流容量选择应与防雷器及线路负荷匹配。
防雷器并联支路中,过电流后备保护至关重要。它关系到当有大雷电流冲击、电路发生故障或异常时,能否起到确保电网供电正常可靠、保护电路和设备安全的
作用。

图1-7 防雷器安装示意图
剩余电流动作保护器的作用是提供间接接触保护,防止触电伤亡事故、避免因设备漏电而引起的火灾事故。30 mA以下的额定漏电动作电流为高灵敏度保
护器,主要用于防止各种人身触电事故。100 mA以上属低灵敏度保护器.用于防止漏电火灾和监视一相接地事故.楼电保护器的主要技术参数是动作电流(IAn)和动作时间(t),这些参数应该是各防雷检测机构检测项目之一。当配电线路中有RCD时.如果电涌保护器安装于RCD的下方.应该注意当电涌
保护器动作时,不应出现跳闸现象,否则, 防雷器安装于RCD的上方.

